Tube Type Glass Lined Heat Exchanger Introduction
The Tube Type Glass Lined Heat Exchanger mainly consists of a shell, tube plate, heat exchange tube, head, baffle, etc. The required materials can be made of ordinary carbon steel, red copper, or stainless steel. In the production lines of the chemical and pharmaceutical industries, there are heat exchange processes such as cooling, condensation, heating, and boiling.

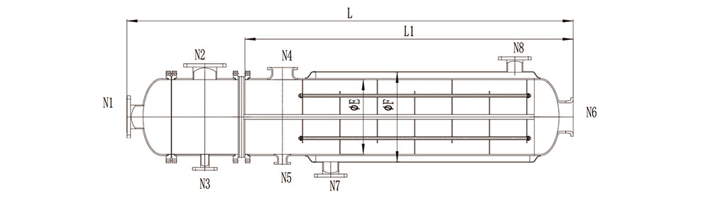
Technical Parameters
INNER VESSE | Tube | Shell |
| MATERIAL | Carbon Steel with Glass Linning | Carbon Steel |
| DESIGN PRESSURE(Mpa) | -0.1 / 1.0 | -0.1 / 1.0 |
| DESIGN TEMPERATURE(℃) | -19 / 200 | -19 / 200 |
| GLASS LINED THICKNESS(mm) | 0.8-2.0 | |

Style: vertical, horizontal, plug-in
Design pressure: shell -0.1/1.0Mpa、Tube -0.1/1.0Mpa
Design temperature: -19~200 ℃

1 | 2 | 3 | 4 | 5 | 6 | 7 | 8 | 9 | 10 | 11 | ||
| Tube Exchange Area(m2) | 1.76 | 3.27 | 4.78 | 7.79 | 10.56 | 13.82 | 18.35 | 21.36 | 27.39 | 31.67 | 37.95 | |
| Jacket Exchange Area(m2) | 1.06/1.02 | 1.45 /1.39 | 1.72 /1.63 | 2.13 /2.03 | 2.32 /2.22 | 2.54 /2.45 | 2.95 /2.72 | 3.08 /2.83 | 3.34 /3.17 | 3.58 /3.28 | 3.82 /3.5 | |
| No.Tube | 7 | 13 | 19 | 31 | 42 | 55 | 73 | 85 | 109 | 126 | 151 | |
Main Dimensions | L | 2627 | 2708 | 2767 | 2867 | 2952 | 2982 | 3013 | 3025 | 3121 | 3176 | 3190 |
| L1 | 2095 | 2120 | 2145 | 2195 | 2195 | 2195 | 2195 | 2195 | 2225 | 2245 | 2245 | |
| E | 193.7 | 273 | 324 | 406.4 | 457.2 | 508 | 590 | 620 | 700 | 750 | 800 | |
| F | 273 | 308 | 419 | 508 | 558.8 | 609.6 | 690 | 720 | 800 | 850 | 900 | |
| 16000 | L1/N2 | 50 | 80 | 80 | 100 | 150 | 150 | 150 | 150 | 200 | 200 | 200 |
| 20000 | N3 | 25 | 25 | 32 | 32 | 50 | 50 | 50 | 80 | 80 | 80 | 80 |
| 30000 | N4 | 50 | 80 | 80 | 100 | 150 | 150 | 150 | 150 | 200 | 200 | 200 |
| 20000 | N5 | 50 | 50 | 50 | 50 | 50 | 50 | 50 | 80 | 80 | 80 | 80 |
| 30000 | N6 | 100 | 150 | 150 | 150 | 200 | 200 | 150 | 150 | 200 | 200 | 200 |
| 20000 | N7 | 50 | 50 | 50 | 50 | 80 | 80 | 80 | 80 | 80 | 80 | 80 |
| 30000 | N8 | 50 | 80 | 80 | 100 | 100 | 100 | 150 | 150 | 150 | 150 | 150 |
| Weight | 290 | 470 | 625 | 920 | 1160 | 1490 | 1880 | 2180 | 2710 | 3100 | 3540 | |
Tube Type Glass Lined Heat Exchanger Advantages
Features: High heat exchange rate, high vacuum and pressure, compact appearance, excellent anti-corrosion performance, and low cost.
Scope of application: mainly applicable to industries such as chemical, light industry, metallurgy, pharmaceuticals, food, chemical fiber, etc
Factory Scenes



E-mail: service@chinareactor.com
Add: Hongshan Town Industrial Park, Chongzheng Road, Zichuan District, Zibo City, Shandong Province